120v Air Compressor Wiring Diagram
How to wire up a new cord to an air compressor using a extension cord. In the storage tank of the air compressor you will find the pressure switch.

15 Ac Electrical Wiring Diagram Ac Wiring Electrical Wiring Diagram Split Ac
Air compressor need wire diagram for the motor to the On most pressure switches for volt installation of the power cord andHusky 60 Gal.

120v air compressor wiring diagram. But it does not imply link between the cables. The schematic is not shown in the manual due to variances in manufacturing for the pressure switch and motors. Wiring Diagram Images Detail.
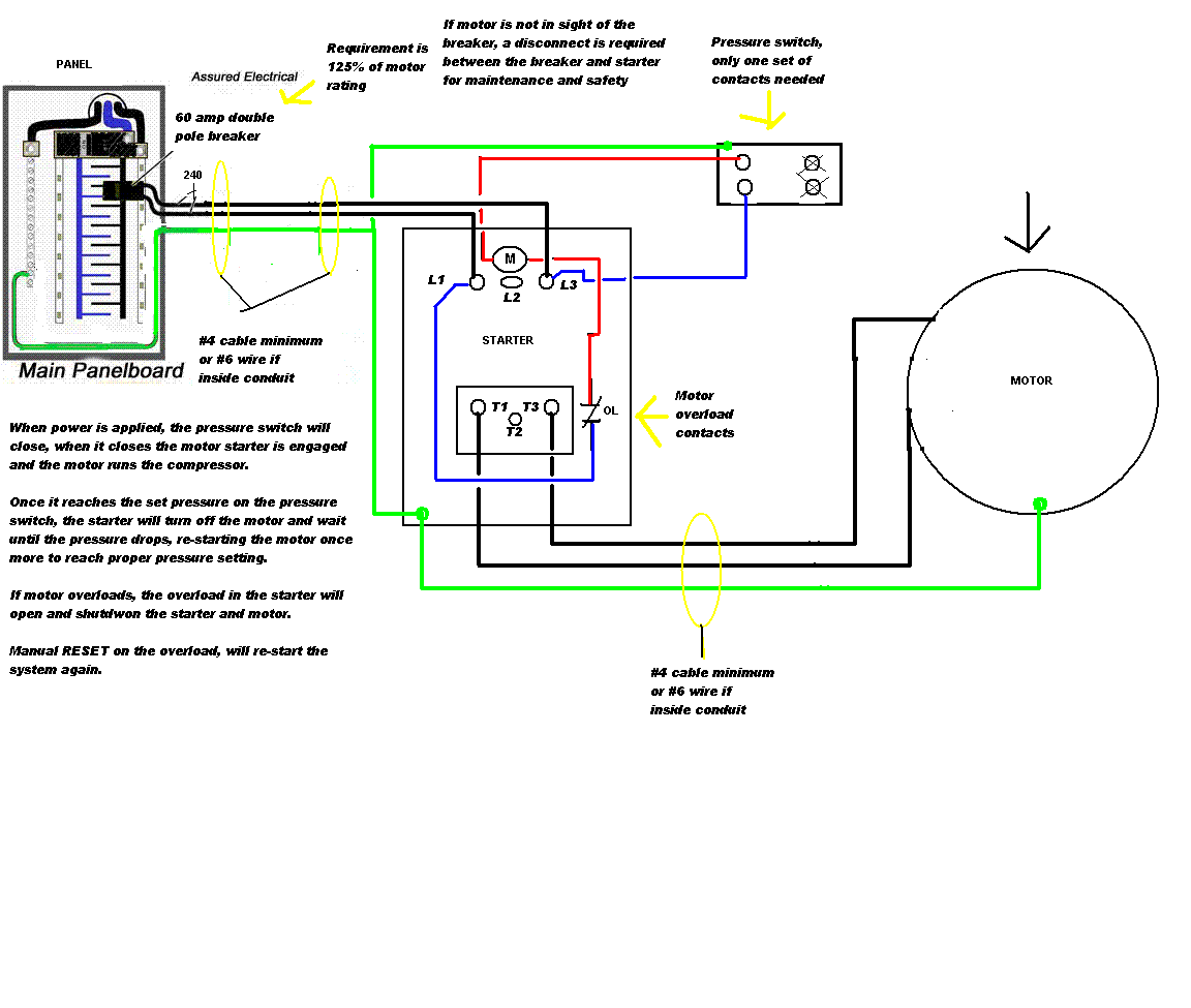
Variety of air compressor motor starter wiring diagram. So that we tried to locate some great pressure switch wiring diagram air compressor. As stated previous the lines in a Air Compressor Wiring Diagram signifies wires.
All that to say find your hot and neutral wires. This wire should be run directly from the battery of the vehicle to the left side of the solenoid in the 12-Voltair. Either will turn the compressor on.
After all the well pump switch is ususally set at 90 psi cut out which is not enough pressure to raise the rear of a the coach. This video shows you how to wire an HVAC ac compressor. This part has 2 mode for operation which are.
The HWH relay being wired in parallel bypasses the well pump switch so that the compressor will provide maximum pressure. If the electrical service to your workshop is 120240 Volt 3 phase 4-Wire then a single phase 220 volt air compressor and lift will work just fine after the proper. Air switch wiring diagram.
Compressor Capacitor Wiring Diagram. On an air compressor with a pressure switch always bring the incoming power to the line contacts of the pressure switch. The compressor fan motor and capacitor work together in an air-conditioning systems condensing unit.
Pressure Switch Wiring Diagram Air Compressor And 2013 05 28 in Pressure Switch Wiring Diagram Air Compressor image size 1024 X 721 px and to view image details please click the image. 120240 Volt 3 Phase 4-Wire. It shows the components of the circuit as simplified shapes and the.
Inside the air handler unit the high voltage wiring powers the indoor fan the heater and provide power for the transformer. Single stage stationary electric air compressor features a cast iron oil lubricated pump. The air compressor is a Ingersoll-Rand T10 3hp 20 gallon air compressor wired to 120v AC.
Air compressor motor starter wiring diagram air pressor wiring diagram 230v 1 phase. When running this wire be sure to keep it away from moving parts and exhaust. 3- Low voltage control part.
There will be main lines that are represented by L1 L2 L3 and so on. If its not and its often not remove the access plate on the back of the motor near where the wire goes in and the schematic will for the wiring will be on that plate. Inside the condenserevaporator unit the high voltage wiring powers the outside fan and the compressor.
KEEP IN MIND that if the outer sheath of the battery cable wears through and makes contact with metal it will create a short and could cause major damage. Compressor Capacitor Wiring Diagram wiring diagram is a simplified usual pictorial representation of an electrical circuit. Air compressor 240v single phase wiring diagram.
See the wiring diagram above. How to wire air conditioner compressor. Truly we also have been remarked that pressure switch wiring diagram air compressor is being one of the most popular topic at this time.
Injunction of two wires is generally indicated by black dot to the intersection of 2 lines. Single phase compressor for air wiring diagram picture split ac wire 120 volt motor basic electrical controls of sample full singer condenser outdoor. It shows the components of the circuit as simplified shapes and the talent and signal associates amongst the devices.
Steps in the air compressor pressure switch wiring. Square d magnetic motor starter 120v mag starters single phase wiring diagram 208v manual 8536sdo1v02s distributors to air compressor i have a 8536 240v for 8536sbo2v02h30s nema it did 8536scg3v02s definite purpose 8911dpsg42v09 schneider type s contactors and electric book control 7 5 hp practical machinist largest 8736seo2v02s ac class 8911dpsg43v09 help pressure trouble direct. Kaeser Wiring Diagrams Wiring Schematic Diagram 11 Laiser Kaeser Es280 220hp Air Compressor Kaeser Sigma Rotary Screw Air Compressor Air Dryer Package Dcm.
Push the other wire with the pin terminal onto the run terminal of the air conditioning compressor. Connect the line from the old starting relay to the spade terminal on the run wire insulating sleeve. Click on the image to enlarge and then save it to your computer by right clicking on the image.
120208 Volt 3 Phase 4-Wire. If the electrical service to your workshop is 120240 volt 3 phase 4 wire then a single phase 220 volt air compressor and lift will work just fine after the proper circuit has been installed. I go over the location where each wire needs to go where the.
There are Several Types of 3 Phase Electrical Services here are a few typical examples. Push the wire with the one single pin terminal onto the start terminal of the air conditioning compressor. Air Conditioner Wiring Diagram Pdf Hvac Ac Diagram Wiring Diagram Database.
Is 6 wire big enough. 277480 Volt 3 Phase 4-Wire. Wiring Diagram For Air Compressor Motor Site Resource Diagram Baldor Single Phase Motor Wiring Full Version Hd Quality Ajaxdiagram Arteramo It Diagram 3 Phasepressor Wiring Internal Full Version Hd Quality Blankdiagram Casadiriposojbfestaz It.
Adjustment will vary. At times the cables will cross.
Automatic Control February 2017
View 23 Square D Single Phase Motor Starter Wiring Diagram

Single Phase Wiring Diagram For House Http Bookingritzcarlton Info Single Phase Wiri Electrical Wiring Diagram Air Compressor Pressure Switch Wiring Diagram

Air Compressor Pressure Switch Wiri Wiring Diagram Floraoflangkawi Org Air Compressor Pressure Switch Air Compressor Wiring Diagram
Diagram 220 Volt Compressor Wiring Diagram Full Version Hd Quality Wiring Diagram Buydiagram Segretariatosocialelatina It
Motor Starter Wiring Diagrams Vintagemachinery Org Knowledge Base Wiki

Ingersoll Rand Air Compressor Wiring Diagram Electrical Wiring Diagram Air Compressor Pressure Switch Wiring Diagram

Diagram Craftsman Compressor Wiring Diagram Full Version Hd Quality Wiring Diagram Snadiagram Segretariatosocialelatina It

Wiring Diagram Wiringg Net In 2021 Electric Motor Wiring Diagram Electrical Circuit Diagram

C S R Compressor Wiring Diagram With Voltage Type Relay Fully4world 4 961 Total Views 1 Views Today Diagram Wiring Diagram Compressor

Diagram Southern Air Wiring Diagram Full Version Hd Quality Wiring Diagram Diagramman Prolococusanese It
Diagram 3 Phase Wiring Diagram For Air Compressor Full Version Hd Quality Air Compressor Rediagram Amicideidisabilionlus It

Unique Wiring Diagram Ac Split Mitsubishi Hvac Air Conditioning Refrigeration And Air Conditioning Hvac Air

Diagram 220 Voltpressor Wiring Diagram Full Version Hd Quality Wiring Diagram Rediagram Amicideidisabilionlus It

Wiring Diagram For Hunter Ceiling Fan Ceiling Fan Pull Switch Wiring Diagram Hunter Remarkable New S Fan Motor Electric Cooling Fan Ceiling Fan Wiring

Single Phase Ac Compressor Wiring Diagram

Proper Installation Wiring Procedure Wiring To The Air Compressor S Pressure Switch Youtube

Air Compressor Wiring Diagram 230v 1 Phase Circuit Diagram Ac Capacitor Electrical Circuit Diagram