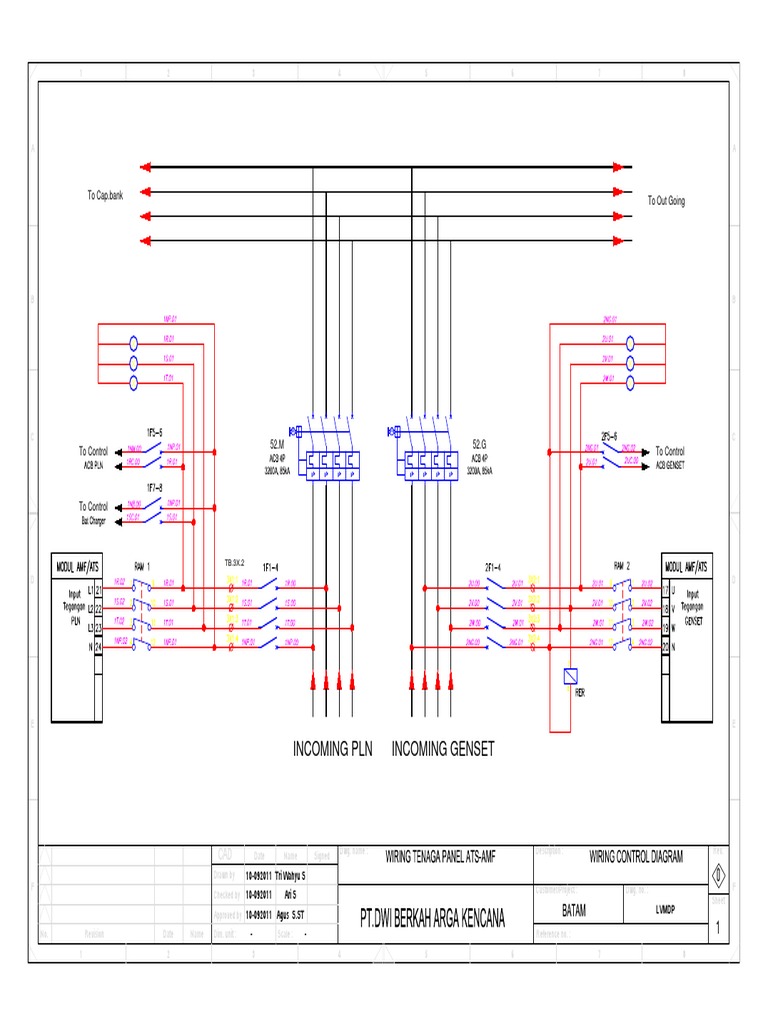
11 Kv Vcb Panel Wiring Diagram
VCB panels are precisely designed following strict industry parameters and are appreciated for features like superior quality and cost effectiveness. 5115 The wiring shall be enclosed in a metal cover to prevent direct flash over to the wiring.
Superior products judiciously 1 1 1 Related Documents 11 KV for loads up to 5 MVA andvcb panel wiring diagram jmcdonald info may 10th 2018 - vcb panel wiring diagram universal series installation instructions vintage air note some documents contain blank pages these pages are intentionally left blank so templates and 8 17.

11 kv vcb panel wiring diagram. Download Ebook 11kv Schneider Control Panel Wiring Diagram Ebooks. Vcb Panel Wiring Diagram Pdf wiring diagram is a simplified all right pictorial representation of an electrical circuit. Panel drawing 11kv vcb wiring diagram technical specification of 11 kv scada cg brochure final cdr 33 2x31 5 mva power substations circuit breaker control schematic explained hv substation engineer must high voltage vacuum indoor at rs 240000 set breakers hs series ht type crompton tachyons posts facebook 35 operation.
Get Free 11kv Schneider Control Panel Wiring. 11kv Ring Main Unit Schematic Diagram of 11KV VCB Panel33 KV Indoor VCB Panel. EF elements in 11 KV Control Panel.
In this video I will show you 11 KV Schneider Panel ct wiring ckt. Six 11kV iii Transformers- a One 9MVA 33640695kV DYY b Two 63MVA 3311kV DY Show the positions of CTs PTs. Ht panel with vcbs for 11 kv.
When the breaker operates the moving contact separates from the fixed contact and an arc is struck between the contacts. Transformers above 8000 KVA shall have individual HV and LV circuit breakers. Vacuum circuit breakers are employed for outdoor applications ranging from 22kV to 66kV.
Users can avail the technology for higher voltage but it is not commercially viable. HT VCB Control Panels. VCB technology is ideal for medium voltage apps.
Even with limited rating say 60 to 100MVA they are suitable for the majority of applications in rural areas. 1133kv vacuum circuit breaker indoor panel that is used for the protection of transformer. 11 KV Schneider Panel CT Wiring Circuit Control Panel technical guide - How to ensure trouble-free Page 211.
11KV RMU PANEL FILETYPE PDF - fuckissmobi The 11KV 630A VCB PANEL shall be of modular construction housed in a single enclosure consisting of HT six control Panels. Technical specification of 11kv 630a vcb technical specification of 11kv 630a vcb panel with 5 nos. 33 kv vcb.
OC and 1 No. The working of Vacuum circuit breakers is briefly explained below. The single line diagram makes the system easy and it provides the facilitates reading of the electrical supply and connection.
7 file type. Vcb Panel Wiring Diagram Vcb Panel Wiring Diagram The wiring schematic may conform to relevant standards. In this video I will show you 11 KV Schneider Panel ct wiring ckt.
Medium and low voltage installations at a pressure of 500 v applied between. Hm_1701 ht panel wiring diagram schematic wiring. A tetra p adenosine tetraphosphate a gbt a bungarotoxin a gd a glycerophosphate dehydrogenase a glob a globulin a lm acetylkitasamycin.
Main Components of 11kV Substation. Download vcb panel wiring diagram free files. It shall be boltedbraced at the bottom.
It shows the components of the circuit as simplified shapes and the aptitude and signal connections with the devices. In 33 KV Control Panel the relay set shall have 3 Nos. 5121 Panels shall have a special earth bus located at the bottom.
The single line diagram of an 11 KV substation is shown in the figure below. 11kv enclosure 11kv junction box high voltage junction boxes 11kv. View and download pioneer xv htd510 service manual online.
Wiring Diagram Book Schneider Electric. Ht panel wiring diagram -peco fuel filters. Compact and robust design.
A wiring diagram usually gives recommendation not quite the relative outlook and understanding of. At a pressure of 1000 v applied between each live conductor and earth for a period of one minute the insulation resistance of hv installations shall be at least 1 mega ohm or as specified by the bureau of indian standards. One 33kV ii Outgoing lines.
11kv Ring Main Unit Schematic Diagram of 11KV VCB Panel33 KV Indoor VCB Panel. 12 Kv Vcb Panel. Vcb panel wiring diagram.
ABB-2 than 15 DG synchronizing panels. Er_6156 ht panel wiring diagram free diagram. The working of the electrical equipment used in the substation is explained below in details.
Get Free 11kv Schneider Control Panel Wiring Diagram Ebooks VCB Panel Out door Indoor type is made out of 1416 SWG CRCA Steel suitable for operation on 11kV 3 50Hz AC. Vcb panel wiring diagram pdf. Suitably interlocked earth switch frontoperated Document kind.
In this video I will show you 11 KV Schneider Panel ct wiring ckt. 5116 One set of spare PT fuses shall be supplied as loose for every PT. Draw the single line diagram of a 3311kV substation having the following equipments- i Incoming line.
Single Line Diagrams Of Substations 66 11 Kv And 0 4 Eep. Transformer Control Panel is required for control protection on both 33 KV and 11 KV sides of 33 11 KV transformers. Xv htd510 receiver pdf manual download.
A VCB panel is a type of circuit breaker where the arc quenching occurs in vacuum environment. Pdf file there is also available siemens Wo 07 Nov Gmt 11kv Schneider Rmu Lt Panel wo 07 nov 11kV 33kV Outdoor VCB and SF6 ABB Breaker Product Code. 11 kv vcb trolley.
Panel drawing 11kv vcb panel wiring diagram. Deltas cfp2000 series is an ac motor. Material used for electricity carrying contacts is significant as the performance of all VCB panels including 22 KV.
1133KV Vacuum Circuit Breaker Indoor Panel that is used for the protection of transformer. 11kv Ring Main Unit Schematic Diagram of 11KV VCB Panel33 KV Indoor VCB Panel. This will be in the form of a relay set having 2 Nos.

Vacuum Circuit Breakers Hs Series Fuji Electric Fa Components Systems Co Ltd

33 Kv Circuit Breaker Relay Panel Control Wiring Interconnection Wiring Schedule Control Wiring 7 Youtube
11kv Kiosk Panel Drawing Switch Relay

How To Read Schematic Diagram For 11kv Vcb Transformer Breaker Youtube

Technical Specification Of 33 11 Kv 2x31 5 Mva Power Substations Eep

How Vcb Trip Circuit Workings Youtube

Technical Specification Of 11 Kv Scada Controlled Indoor Switchgear With Interlocking Diagrams Eep

Ht 11 Kv Vcb Indoor Type Crompton Greaves Make Vacuum Circuit Breakers Power Line Electric India P Limited Ghaziabad Id 10995047033

How To Read Electrical Panel Drawing Diagram Part 2 In Hindi Yk Electrical Youtube
Https 5 Imimg Com Data5 Dv Lu My 9422582 Outdoor Vcb Breaker Pdf

China Kyn28 11kv 33kv High Vcb Medium Voltage Switchgear With Outgoing Transformer Feeder Panel China Switchgear Cabinet
Diagram Control Wiring Diagram Of Vcb Full Version Hd Quality Of Vcb Codiagram Amicideidisabilionlus It

Vacuum Circuit Breakers Hs Series Fuji Electric Fa Components Systems Co Ltd



